标准光源箱校准规范 《JJF(纺织)055—2023》最新版

1 范围
适用于目测评定纺织品色牢度用的标准光源箱及类似的标准光源箱
2 计量特性
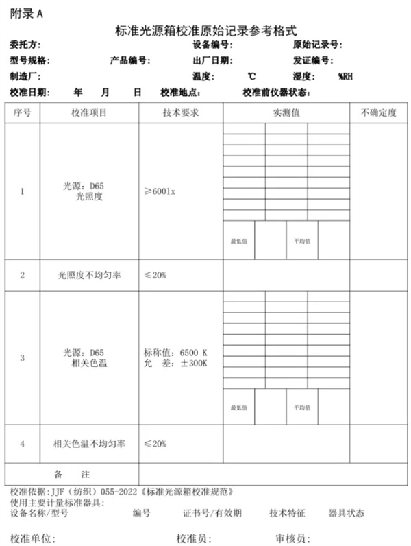
① 相关色温:各光源的相关色温标称值和允许误差见表2。
② 相关色温不均匀率:<20%(评级工作台标记框内)
③ D65光源光照度:>6001x
④光照度不均匀率:<20%(评级工作台标记框内)

3 校准条件
① 环境条件
乐盈llV★ 环境:无外界光源照射光源箱(即在黑房内)。
★ 温度:室温;相对湿度:<85%。
乐盈llV★ 光源箱额定电压:满足市电220 V要求,最大允许误差为额定值的±10%。
② 测量标准
测量标准见表3。

4 校准前检查
① 基本要求检查
乐盈llV★ 在适当部位应有铭牌,铭牌上须标明型号、规格、制造厂、出厂编号和出厂年月。
★ 应放置平稳,周围环境清洁,无腐蚀性介质,无直射光和强烈光源直接辐射。
★ 箱体内应清洁,无杂物;各面应平整、无疤痕,不得有明显的锈斑和油漆脱落现象;光源箱内壁(底色)环境色为蒙赛无光中性灰N5(相当于GB 250评定变色用灰色样卡1~2级)。
乐盈llV★ 顶部安装的灯具应牢固可靠;反光罩不得有明显的变形,反光面上不得有积尘和锈蚀现象。
② 安全保护性能检查
光源箱的电气设备应安全可靠,电源线及接插件无断裂破损现象。接地线与箱体接触可靠。
③ 基本功能检查
★ 光源箱控制面板上的指示符号应清晰醒目,电器控制按钮完整可靠、灵活和可靠;各光源根据配置分别检查各光源工作状况,灯管发光正常,无明显的闪烁现象。
★ 光源箱光源配备的使用时间累加计时器功能正常。
5 校准项目
标准光源箱校准项目对应本规范计量特性条款和校准方法条款见表4。

6 校准方法
① 选点
在评级工作台内均匀选择9个测量点,除中点外其余各点距边线约10cm。
② 测量
光源开启预热15min后开始测量,将照度计和色温表探头分别置于各测量点,探头平放在光源箱工作台面上,探头测试面向上,逐一测量各点的光照度和相关色温。
③ 读数
乐盈llV读数时,待照度计和色温表显示的数字稳定后才读取,每个测量点重复测量三次。
7 校准结果
① 校准记录
乐盈llV校准记录应详尽记录测量数据和计算结果。推荐的校准记录格式如下:

② 校准证书
乐盈llV经校准的标准光源箱应出具校准证书,校准结果应在校准证书上反映。校准证书包括的信息应符合JJF 1071-2010中5.12的要求,推荐的校准证书内页格式如下:

③ 不确定性
乐盈llV校准证书应给出各校准项目测量结果的扩展不确定度
8 复校时间间隔
在定期进行期间核查的条件下,建议复校时间间隔一般不超过1年。
注:由于复校时间间隔的长短是由仪器的使用情况、使用者,仪器本身质量等诸因素所决定的,因此,送校单位可根据实际使用情况自主决定复校时间间隔。
同类文章排行
- 对色灯箱的正确使用方法
- 使用标准光源箱检测服装色差
- 如何使用对色灯箱管理面料颜色
- 标准光源箱中灯管的使用寿命
- 关于对色灯箱的光源问题的介绍
- TILO天友利商标成功维权公告
- 天友利对色灯箱畅销多年的奥秘
- Tilo标准光源箱畅销全国的原因
- 观察颜色为什么需要标准光源?
- 对色灯箱如何正确操作和对色
最新资讯文章
- 一般显色指数与特殊显色指数的主要区别
- CWF光源色温是多少?显色指数是多少?
- 光源照度分级体系和照度范围标准
- 标准光源显色指数标准与应用指南
- 烟叶分级实验室建设必读:YC/T 291-2009标烟叶分级实验室建设必读:
- 室内工作场所光源色温选择指南
- 印刷行业控色标准光源:YSL D65/D50 LED光源
- 室内工作场所照明亮度分布标准与要求
- 烟叶分级灯怎么选?(YC/T 291-2009)标准款,精准合规不踩坑
- 光源色:发光体的色彩本质与特性解析
- 标准光源箱安装指南:安装步骤和注意事项
- TL84光源:欧洲与东亚市场的商业对色基准
- 标准光源显色指数的等级换分和应用
- CWF光源:北美商业照明下的色彩质检基准
- 显色性和显色指数的对比——色彩还原能力
- A光源是什么光源?A光源的行业应用和使用方法
- 银行照度标准详解:营造安全高效的光环境
- 光源显色性的评价方法
- CIE 1931 标准色度观察者色匹配函数
- 商场照度标准与测量方法全解析商城





